○牟岐町簡易水道給水条例施行規程
平成29年4月1日
規程第5号
目次
第1章 総則(第1条)
第2章 給水装置の工事及び費用(第2条―第13条)
第3章 給水(第14条―第19条)
第4章 料金及び手数料等(第20条―第27条)
第5章 管理(第28条・第29条)
附則
第1章 総則
(趣旨)
第1条 この規程は、牟岐町簡易水道給水条例(平成28年条例第33号。以下「条例」という。)の施行に関し必要な事項を定めるものとする。
第2章 給水装置の工事及び費用
(給水装置の構成及び附属用具)
第2条 条例第3条に規定する給水装置は、給水管並びにこれに直結する分水栓、止水栓及び給水用機器をもって構成するものとする。
2 給水装置には、量水器ますその他附属用具を備えなければならない。
(1) 他人の給水装置から分岐しようとするとき 給水装置所有者の給水管所有者分岐同意書(様式第2号)
(2) 他人の所有地を通過し、又は他人の所有する土地又は家屋に給水装置を設置しようとするとき 土地又は家屋所有者の土地家屋使用承諾書(様式第3号)
(3) 水量不足の見込みのある箇所で、給水装置を設置しようとするとき 申込者の承諾書(様式第4号)
(給水装置使用材料)
第6条 管理者は、条例第10条第2項の設計審査又は工事検査において、牟岐町指定給水装置工事事業者に対し、当該審査又は検査に係る給水装置工事で使用される材料が水道法施行令(昭和32年政令第336号。以下「政令」という。)第6条に定める基準に適合していることの証明を求めることができる。
2 管理者は、前項の証明が提出されないときは、当該材料の使用を制限し、又は禁止することができる。
3 管理者による設計審査は指定給水装置工事事業者から提出される給水装置工事申込書(様式第1号)、材料検査は材料検査申請書、工事検査は工事検査申請書により行う。
(給水管及び給水用具の指定)
第7条 条例第11条第1項の規定に基づく構造及び材質の指定は、次の基準により行う。この場合において、管理者は、指定した内容について一般の閲覧に供するものとする。
(1) 配水管への取水口の位置は、他の給水装置の取水口から30センチメートル以上離れていること。
(2) 配水管への取水口における給水管の口径は、当該給水装置による水の使用量に比べ、著しく過大でないこと。
(3) 配水管の水圧に影響を及ぼすおそれのあるポンプに直接連結されていないこと。
(4) 水圧、土圧その他の荷重に対して充分な耐力を有し、かつ、水が汚染され、又は濡れるおそれがないものであること。
(5) 凍結、破損、侵食等を防止するための適当な措置が講じられていること。
(6) 当該給水装置以外の水管その他の設備に直接連結されていないこと。
(7) 水槽、プール、流しその他水を入れ、又は受ける器具、施設等に給水する給水装置にあっては、水の逆流を防止するための適当な措置が講じられていること。
(1) 産業標準化法(昭和24年法律第185号)第30条第1項の規定により主務大臣が指定した品目であって、同項の規定により鉱工業品又はその包装容器若しくは送り状に同法第20条第1項に規定する日本産業規格に該当するものであることを示す特別な表示が付することの主務大臣の許可を受けた工場又は事業場で製造された製品で、当該特別な表示を付されたもの
(2) 製品が政令第6条に定める基準に適合することを認証する機関が、その品質を認証したもの
(3) 製造又は販売業者が自らの責任において、当該製品の政令第6条に定める構造及び材質の基準への適合性を証明したもの
4 管理者は、指定した材質について、地質その他の理由によりその使用が適当でないと認めた場合は、当該材質の使用を制限することができる。
5 給水管の口径に比べ、著しく多量の水を一時に使用する箇所、高層建築物、工場、事業所等の構造物、建築物及び構内に多様な給水施設を著しく設置する箇所その他必要があると認めた箇所には、受水槽を設置しなければならない。この場合において、給水装置及び水質の保全等による責任の分解点は、受水タンクの入水口の逆止弁とする。
(1) 材料費 管理者が当該材料の購入価格等を基準として定めた単価に所要の数量を乗じて得た額
(2) 運搬費 管理者が当該材料の積載量及び運搬距離を基準として定めた単価に所要の数量を乗じて得た額
(3) 労力費 管理者が定める職種別賃金日額に所要の日数を乗じて得た額
(4) 道路復旧費 道路管理者が定める道路復旧費用単価に復旧面積を乗じて得た額
(5) 工事監督費 材料費、運搬費、労力費、道路復旧費及び間接経費の合計額に100分の10を乗じて得た額
(6) 間接経費 材料費、運搬費、労力費及び道路復旧費の合計額に100分の20以内を乗じて得た額
(給水管の口径)
第9条 給水管の口径は、その使途別所要水量及び同時使用率を考慮して適当な大きさに決めなければならない。
(給水管埋設の深さ)
第10条 給水管は、公道内の車道、歩道部分及び私道内においては90センチメートル以上、宅地内においては60センチメートル以上の深さで埋設しなければならない。ただし、技術上その他やむを得ない場合は、この限りでない。
(メーターの設置位置等)
第11条 メーターは、次に定める基準に基づき設置する。
(1) 原則として建築物の外であって当該建築物の敷地内
(2) 原則として給水装置の配水管又は他の給水管からの分岐部分に最も近い位置
(3) 点検及び取替作業を容易に行うことができる場所
(4) 衛生的で損傷のおそれのない場所
(5) 水平に設けることができる場所
(メーターの設置基準)
第12条 条例第24条第2項に規定する給水装置にメーターを設置する基準は、1建築物に1個とする。ただし、管理者が給水及び建築物の構造上特に必要があると認めた場合は、1建築物について2個以上のメーターを設置することができる。
2 同一使用者が同一敷地内に建築する2棟以上の建物で使用するときは、当該2棟以上の建物を1建築物とみなす。
(危険防止の措置)
第13条 給水装置は、逆流を防止することができ、かつ、停滞水を生じさせるおそれのない構造でなければならない。
2 水洗便器に給水する給水装置にあっては、その給水装置又は水洗便器に真空破損装置を備える等逆流の防止に有効な措置を講じなければならない。
3 給水管は、町の水道以外の水管その他水が汚染されるおそれがある管又は水に衝撃作用を生じさせるおそれのある用具若しくは機械と直結させてはならない。
4 給水管の中に停滞空気が生ずるおそれのある箇所には、これを排除する装置を設けなければならない。
5 給水管を2階以上又は地階に配管するときは、原則として各階ごとに止水栓を設けなければならない。
6 給水管には、ポンプを直結させてはならない。
第3章 給水
(給水管防護の措置)
第14条 開きょを横断して給水管を配管するときは、その下に配管することとし、やむを得ない理由のため他の方法によるときは、給水管防護の措置を講じなければならない。
2 電食又は衝撃のおそれのある箇所に給水管を配管するときは、給水管防護の措置を講じなければならない。
3 凍結のおそれのある箇所に給水管を配管するときは、露出及び隠蔽にかかわらず、防寒装置を施さなければならない。
4 酸、アルカリ等によって侵されるおそれのある箇所又は温度の影響を受けやすい箇所に給水管を配管するときは、防食の措置その他の必要な措置を講じなければならない。
(メーターの損害弁償)
第17条 水道使用者等は、自己の保管に係るメーターを亡失し、又は毀損したときは、メーター亡失(毀損)届(様式第10号)を管理者に届け出なければならない。
2 管理者は、条例第25条第3項の規定によりメーターの弁償をさせようとするときは、残存価格を考慮して弁償額を定めるものとする。
(水道の使用中止、変更等の届出の様式)
第18条 条例第26条の規定による届出は、次に定めるところによる。
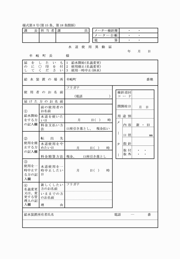
(1) 給水装置の使用を開始し、廃止し、又は中止しようとするときは、水道使用異動届(様式第8号)の提出による。
(2) メーターの口径又は用途を変更しようとするときは、給水装置口径(用途)変更届(様式第11号)の提出による。
(3) 給水装置所有者に変更があったときは、給水装置所有者変更届(様式第12号)の提出による。
(4) 消防演習等に消火栓を使用するときは、消火栓演習等使用届(様式第13号)の提出による。
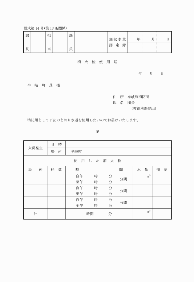
(5) 消火栓を消火に使用したときは、消火栓使用届(様式第14号)の提出による。
第4章 料金及び手数料等
(料金等の納入期限)
第20条 条例の規定により徴収する料金等の納入期限は、料金にあっては納入通知書を発したその月の月末、その他の納入金にあっては別に定めのない限り納入通知書を発した日から14日以内とする。
(督促)
第21条 水道料金、手数料その他の収入を指定期限内に納付しない場合は、事務手続に支障がないよう速やかに督促状を発しなければならない。
2 前項の督促状に指定する期限は、発付の日から30日以内とする。
(過誤納による精算)
第22条 水道料金(以下「料金」という。)を徴収後、その料金の算定に過誤があったときは、翌月以降の料金において精算することができる。
(使用水量及び用途の認定基準)
第23条 条例第35条の規定による使用水量及び用途の認定は、次に定めるところによる。
(1) メーターに異常があったときは、メーター取替後の使用水量を基礎として日割計算により、異常があった期間の使用水量を認定する。
(2) 条例第35条第2号の規定による用途区分は、それぞれの用途に係る使用水量に対応する超過料金の額が高額である用途区分とする。
(3) 漏水その他の理由により使用水量が不明のときは、認定する月の前3回の使用水量又は前年同期における使用水量その他の事実を考慮して認定し、これにより難いときは見積量による。
(加入金の還付事由)
第24条 条例第41条第5項ただし書に規定する給水期間が短期である場合とは、給水装置の新設後180日以内にこれを撤去する場合とする。
2 前項の場合において、水量料金は、臨時用を適用し、精算するものとする。
3 その他管理者が特に認めた場合とは、次の各号のいずれかに該当する場合とする。
(1) 加入金を納付した後において、当該工事を取り消したとき。
(2) 増径工事に係る加入金を納付した後において設計変更等によって増径を必要としなくなったとき。
(3) 新設又は増径丁事を申し込んだ者が当該申込みのメーターの口径を軽減したとき。
(工事分担金を伴う給水申込み及び適用基準)
第25条 条例42条第1項の規定による給水申込みは、牟岐町簡易水道給水条例第42条の規定による給水申込書(様式第16号)の提出をもって行う。
2 前項の給水申込みを受け、新たに配水管等を設置する場合は、次に掲げる条件に該当する場合に限り適用するものとする。
(1) 町内の上水道の計画給水区域内であること。
(2) 配水管の口径は、30ミリメートル以上とすること。
3 申込者が第1項の工事分担金を管理者が指定する日までに納入しないときは、当該申込みを取り消したものとみなす。ただし、管理者が特別の理由があると認めるときは、この限りでない。
4 既納の工事分担金は、還付しない。ただし、管理者が配水管等の設置工事に着手する前に申込者が当該申込みを取り消したときは、この限りでない。
5 既設配水管の水圧に影響を及ぼすような団地の造成又は工場の設置により、既設配水管の布設替えを必要とする場合、当該布設替えをした配水管を利用して給水を受ける者(既設配水管を利用していた者を除く。)からは、布設替えに要する工事費の3分の2の工事分担金を工事施行前に徴収する。
(1) 災害その他の理由により料金の納付が困難である者の料金
(2) 不可抗力による漏水に起因する料金
(3) 工事用又は臨時用に利用するときの加入金
(4) その他管理者が公益上その他特別の理由があると認めたもの
3 管理者は、前項に規定する申請書の提出があった場合は、速やかに調査の上、減免の処分を決定し、その結果を当該申請者に対し通知するものとする。
第5章 管理
(措置命令)
第28条 条例第45条の規定による措置の指示は、「給水装置の管理義務違反に関する指示書(様式第19号)」により行うものとする。ただし、緊急の場合は、この限りでない。
(水道使用上の注意)
第29条 給水用機器にホース等を接続して水道を使用するときは、給水装置に水が逆流しないように措置しなければならない。
附則
この規程は、平成29年4月1日から施行する。
附則(平成31年3月22日規程第2号)
この規程は平成31年4月1日から施行する。
附則(令和元年9月27日規程第4号)
この規程は、令和元年10月1日から施行する。
附則(令和4年3月10日規程第3号)
この規程は、令和4年4月1日から施行する。



















